304-728-0547 1-833-888-2748

Northstar Hoods and Splashbacks

Northstar Hoods and Splashbacks feature powerful but ultra-quiet four-speed operation and easy-clean removable grease cups. Dual 20-watt halogen lights provide excellent task lighting for your range top. Add a color-matched or complementary-colored splashback to visually tie your range and hood. Northstar Range Hoods Are Available In Outside-Vent Or Recirculating Models.

If you would like to order any of our Northstar Appliances give us a call at 304-728-0547. Or send us an email and one of our retro specialist will respond right away.

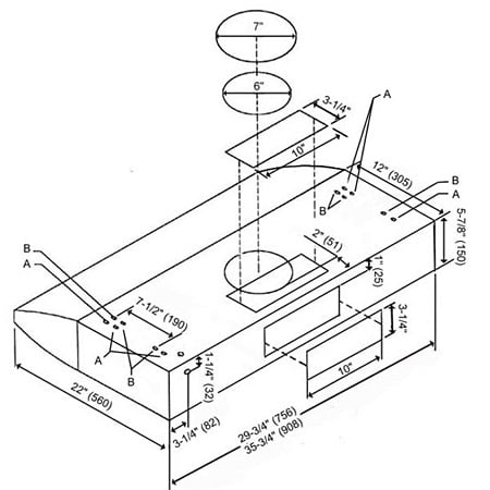
Model 1962 Outside-vent Hood

  • Size: 30″ W X 22″ D X 6″ H
  • Model 1962 (outside-vent) features a four-speed (500, 640, 720 & 800 cfm.) fan, and dual 20 Watt halogen lights.

1962_Manual 
Specs

Model 1961 Recirculating Hood

  • Size: 29-3/4W X 20-1/2D X 5-1/8H
  • Model 1961 (recirculating) features a four-speed (150, 200, 330 & 400 cfm.) fan, and dual 20 Watt halogen lights.

1961_Manual
1961_Specs

Model 1944 Splashback

Complete your Northstar color statement with the easy-clean Model 1944 Splashback. Mounts easily on the back wall between the range and hood – protects against splashes and stains. Comes complete with mounting tape and chrome side strips.Dimensions: 29-3/4″ wide x 32″ high. (Can be installed with or without chrome strips.)